2016년 (9년 차) / 1000개 이상 인증 완료 / 인싸이롭 컨설팅 인도네시아 (PT. ICI)

안녕하세요. 이 게시판에서는 인증 후기를 적어보려고 합니다.
특정한 양식 없이 자유롭게 적으려고 하는데요, 잘 전달되길 바랍니다.
이번 회사는 저희를 통해서 화장품과 의료기기 약 10개 제품을 등록한 회사입니다. (PSB, IDAK, CDAKB, PJT 등 포함)
그중 의료기기 등록 후기 적어봅니다.
INSIGHTOF Consulting Indonesia (PT. ICI) 인싸이롭 컨설팅
키워드: 인도네시아, BPOM, 화장품, 등록, 위생허가, 인증, 인싸이롭 컨섩팅, 인증후기, PT.INSIGHTOF Consulting Indonesia, PT.ICI 의료기기 할랄인증, 의료기기등록후기
| 회사명 | U사 |
| 회사소개 | 자카르타 소재 한국 기업(한국에서 출자한 신규 설립 법인) |
| 제품 및 서비스 | 의료기기 인허가 |
U사의 법인장님은 자카르타에 있는 한 의료기기 유통 법인에서 근무하던 중, 한국에서 인도네시아 신규로 법인을 설립하는 곳에 법인장으로 부임하면서 Country Head가 된 분입니다.
신규 법인의 법인장, 총책임자라는 책임이 무겁다 보니 법인장 취임 전부터 준비를 많이 하신 것 같았습니다. 퇴사 직전 휴가 때 저희 사무실에 오셔서 계획과 타임라인을 보여주셨는데 대기업 전략실에서나 나올 법한 엑셀과 PPT가 놀라웠던 기억이 납니다.
식약청/보건부에 맞는 사무실을 임대.
쓱싹쓱싹 인테리어.
사무실 공간의 일부를 창고로 칸막이 공사.
인테리어 기간에 유통허가(PSB, IDAK) 서류 대부분 준비 완료.
…
일사천리로 진행이 되었습니다.
(사무실 임대 전에 저희에게 전화로 보건부/BPOM 조건에 부합 여부 확인. 저희 직원도 결정을 앞두고 한 번 방문했고요, 필요 서류-구비 비품 항목도 일찍 공유하고, 깨알 지원해 드렸습니다.)
IDAK이 약 2개월 정도 걸려서 완료되자마자
제품 등록 서류 바로 제출.
*저희가 상담 때 얘기해 드리는 “미리 준비해서 전 단계 인증이 끝나면 바로 그다음 날 후속 인증의 서류를 넣는” 그 준비를 시연해 낸 회사였습니다.
그래도 소소한 난관과 과정을 아래 공유해 보겠습니다.
진행 개요.
(1) 의료기기 인허가 (제품 등록)
보건부에 제품 등록에 필요한 ‘서류 리스트’를 일찌감치 공유했습니다.
| 어려웠던 점 | 해결 방안 |
| 인니 법인의 조급함과한국 법인의 조급함 간온도 차 | 연초에 법인이 설립되었고, 인니 법인의 KPI까지 저에게 대략 공유해 주셨습니다. 한국에서는 ‘인증 x 개월 걸린다면서? 그럼 x 월부터 12월까지 x 개월 동안 얼마의 매출을 ~’이럴 것 같았습니다. (추측입니다)그런데 이 법인장님은 달리지 않으면창고허가 > 제품허가 > 수입까지 모든 과정에 한국 본사에서 듣기엔 말도 안 되는 지연이 일상적으로 생기는 것을충분히 이해하고 있었던 것 같습니다.그래서 수입까지는 5,6,7개월이 남은 시점에도 저희를 열심히 채근했습니다.저희는 이런 고객 좋아합니다.그래야 기간 단축 기록을 갈아치우며, 재밌으니까요 |
| 인증 관련해서 소통하던담당 직원이 몇 번 바뀜 (퇴사) | 아무래도 신규 법인이다 보니회사가 안정도 덜 되었을 것이고제품 수입이 될 때까지는 사무실 직원 수가 많지 않을 겁니다.그래서 어떤 이유인지 저희와 인증 관련해서 소통하던 직원들이 2개월, 3개월 등에두 번이나 바뀌었습니다. 다행히 법인장님이 인증 지연 = 매출 지연인 사실을누구보다도 잘 알고 계셔서직원이 바뀔 때마다 저희 직원과 장시간 온-오프라인으로전체를 설명하는 시간을 갖기도 했습니다.물론 한 두 번의 설명으로모두 이해하고 기억하는 것은 아니지만최소 담당자 변경에 따른 공백은 생기기 않은 것 같습니다. |
| 잘나가던 중,일부 제조사가몇 개의 필수 서류를 아~주 여유 있게 주심 | 유통허가(IDAK)이운까지 좋았다고 얘기할 만큼빨리 끝나고IDAK 완료 후 (그다음 날?) 제품 등록 서류를 바로 업로드했습니다.(참고: 인증에 몇 개월 걸러요?라는 질문에 x 개월 걸려요라는 답을 들으셨다면, x 개월은 ‘등록 서류 업로드’부터입니다. 서류 준비 기간은 제외입니다. 회사의 사정에 따라 서류 준비 기간은 각각 다르기 때문입니다)그런데 모든 제품의 서류를 바로 제출한 건 아닙니다.제조사에서 받아야 하는 몇 서류가 늦는 바람에몇 제품은 서류 제출이 늦어졌습니다. 본사를 통해서 제조사를 압박(?) 했는데도서류가 안 오면 어쩔 수 없는 거죠? 없는 건가요? |
결국 잔여 서류도 받고
보완 요청 자료들도 람보르기니의 속도로
“요청 – 수령 – 쿠킹 – 제출”해서
안내해 드린 일정보다 1-2개월 단축해서 (20-30% 단축)
등록 완료되었습니다.
Bravo!
그 후로 전시장 가면 자주 뵙고 (=직접 뛰는 법인장님)
거기서 저희 ICI를 다른 회사에 적극적으로 Sales 해주십니다.
지지난 주 전시회에서 뵀을 때
메인 제품이 괜찮은 가격에 적절한 수량 판매되고 있다고 하셔서 다행입니다.
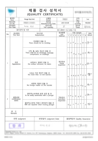
저희가 오래 기다린 서류입니다. (아래)

보완상 흐리게 올립니다
의료기기 등록 완료! 인증서 샘플입니다 (아래)

이상으로 포르쉐 속도로 완성한
의료기기 인증 후기 마칩니다.
🌐 공식 홈페이지: www.insightof.co.id
- [인증후기#03] 의료기기 제품 인증 (위험등급 2C, 3D) Kemenkes
- 인도네시아 화장품 유통을 위한 필수 조건 – 업종코드(KBLI) 46443 및 확인법
- [인증후기#02] 의료기기 유통허가 IDAK 성공기. (보건부 5개 등록 후, BPOM 11개 등록)
#PT.ICI #인도네시아의료기기 #의료기기등록후기 #IDAK #AKL #보건부등록 #인도네시아수출 #의료기기인증 #자카르타법인 #현지유통사 #인도네시아규제 #인도네시아진출 #ClassA의료기기 #의료기기수입 #INSIGHTOF #인싸이롭컨설팅 #인도네시아컨설팅 #의료기기인허가 #MOH등록 #의료기기서류 #현지대리인 #의료기기수출지원 #인허가대행


인싸이롭은 인도네시아에 진출하는 모든 한국 기업을 응원합니다.
인증 관련 정보를 블로그에 계속 올리고 있으니 도움 되시길 바랍니다.











